Clear records
history record
PRODUCT
RELATED PRODUCT
NOTE
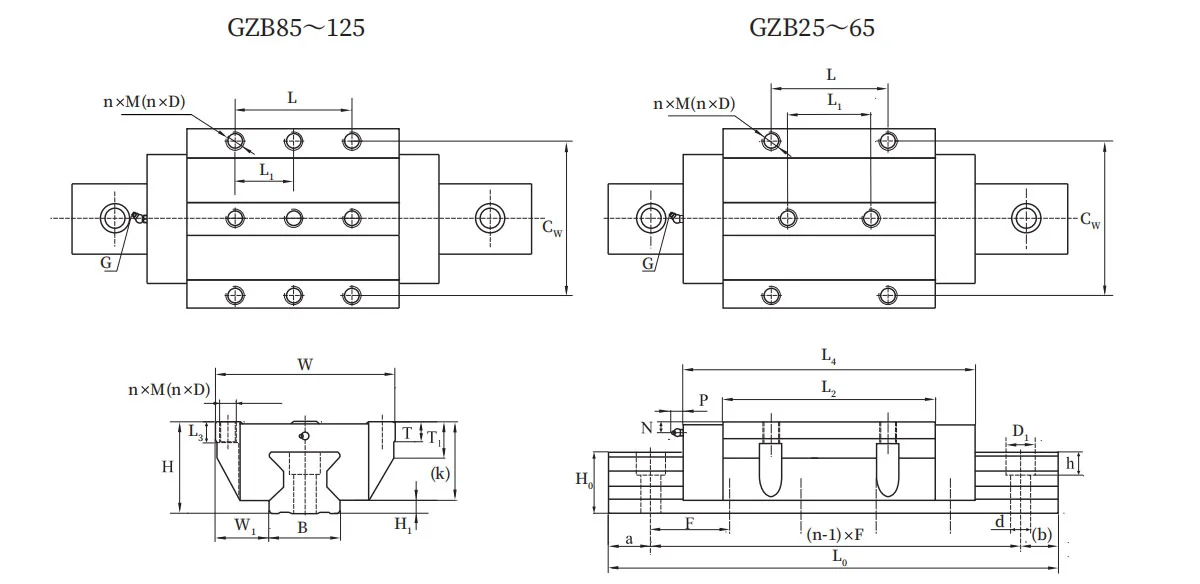
1).L4 dimensions are based on standard seal type, details see seal type.
2).AA/AAL blocks of GZB series are flange type and top mounting holes are thread holes, up-lock see dimension M, down-lock see dimension D.
3).GZB85, GZB100, GZB125 blocks in the top L3, B3 directions are symmetrically distributed of three-row mounting holes, total 9 holes.
DIMENSION

SPECIFICATIONS
| Spec. | Dimension of assembly | Dimension of block | |||||||||||||
| H | W1 | K | W | L4 | Cw | L | L1 | M | D | T | T1 | L3 | L2 | H1 | |
| GZB25AA GZB25AAL | 36 | 23.5 | 31.5 | 70 | 100 120.4 | 57 | 45 | 40 | 8 | 6.8 | 9.5 | 10 | 10 | 66 86.4 | 4.5 |
| GZB30AA GZB30AAL | 42 | 31 | 36 | 90 | 109.8 131.8 | 72 | 52 | 44 | 10 | 8.5 | 9.5 | 21 | 10 | 71 93 | 6 |
| GZB35AA GZB35AAL | 48 | 33 | 41.5 | 100 | 124 151.5 | 82 | 62 | 52 | 10 | 8.5 | 12 | 30 | 13 | 79 106.5 | 6.5 |
| GZB45AA GZB45AAL | 60 | 37.5 | 52 | 120 | 154.6 188.8 | 100 | 80 | 60 | 12 | 10.5 | 15 | 25 | 15 | 107.6 141.8 | 8 |
| GZB55AA GZB55AAL | 70 | 43.5 | 60 | 140 | 178.3 226.6 | 116 | 95 | 70 | 14 | 12.5 | 18 | 41 | 18 | 125.5 173.8 | 10 |
| GZB65AA GZB65AAL | 90 | 53.5 | 76 | 170 | 219.2 279.2 | 142 | 110 | 82 | 16 | 14.5 | 25 | 37 | 23 | 147 207 | 14 |
| GZB85AAL | 110 | 65 | 95 | 215 | 349 | 185 | 140 | 70 | 20 | 17.5 | 24 | 44 | 26 | 254 | 15 |
| GZB100AAL | 120 | 75 | 105 | 250 | 394 | 220 | 200 | 100 | 20 | 17.5 | 25 | 51.5 | 30 | 286 | 15 |
| GZB125AAL | 160 | 97.5 | 135.5 | 320 | 491 | 270 | 205 | 102.5 | 24 | 21 | 30 | 66 | 45 | 360 | 24.5 |
| Spec. | Dimension of rail | Smallest end size | Dimension of oil cup | Dynamic load rating | Static load rating | Torque rating | Block weight | Rail weight | ||||||||
| B | H0 | d×D1×h | F | Max. single length Lmax | a | G | P | N | C(kN) | C0(kN) | MA(N.m) | MB(N.m) | MC(N.m) | kg | kg/m | |
| GZB25AA GZB25AAL | 23 | 24 | 7×11×9 | 30 | 6000 | 10 | M6 | 12 | 5.5 | 27.7 33.4 | 57.1 73.4 | 684 1035 | 684 1035 | 830 1213 | 0.6 0.8 | 3.2 |
| GZB30AA GZB30AAL | 28 | 29.5 | 9×14×12 | 40 | 6000 | 13 | M6 | 13 | 6.5 | 38.9 49 | 82.5 104.5 | 1060 1712 | 1060 1712 | 1445 1845 | 1.06 1.4 | 4.5 |
| GZB35AA GZB35AAL | 34 | 31.2 | 9×14×12 | 40 | 6000 | 13 | M6 | 13 | 9 | 57.9 73 | 106 141.9 | 1548 2708 | 1548 | 2343 3283 | 1.6 2.0 | 5.9 |
| GZB45AA GZB45AAL | 45 | 38 | 14×20×17 | 52.5 | 6000 | 15 | M8×1 | 14 | 10 | 92.6 116 | 179 230.9 | 3050 5470 | 3050 5470 | 4520 6330 | 3.2 4.4 | 10 |
| GZB55AA GZB55AAL | 53 | 44 | 16×23×20 | 60 | 6000 | 15 | M8x1 | 14 | 13 | 130 168 | 258 360 | 5567 10713 | 5567 10713 | 8243 11927 | 4.3 5.9 | 13.3 |
| GZB65AA GZB65AAL | 63 | 55 | 18×26×22 | 75 | 6000 | 20 | M8x1 | 14 | 17 | 212 275 | 378.8 530.4 | 12330 23251 | 12330 23251 | 18430 25773 | 8.6 12.3 | 20.3 |
| GZB85AAL | 85 | 73 | 24×35×28 | 90 | 6000 | 25 | M8x1 | 14 | 21 | 460 | 945.2 | 45600 | 45600 | 51420 | 21.6 | 35.2 |
| GZB100AAL | 100 | 80 | 26×39×32 | 105 | 6000 | 30 | M10x1 | 16 | 23 | 547 | 1330 | 61200 | 61200 | 73140 | 31.5 | 46.8 |
| GZB125AAL | 125 | 115 | 33×48×45 | 120 | 6000 | 35 | M10x1 | 16 | 23 | 1040 | 1924 | 123176 | 123176 | 114438 | 65.5 | 84.6 |
Contact Us
