Clear records
history record
PRODUCT
RELATED PRODUCT
Note
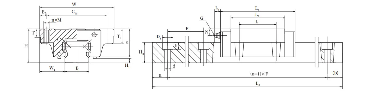
1). Ma,Mb,Mc in the table is shown in the figure, which refers to the rated static moment value of a slider.
2). In the table, Lmax is the maximum length of a single rail. If the guide rail is lengthened, it shall be negotiated separately (it is recommended to equip the rail lengthened punch installation).
3). If there is no special requirement for a single rail, the end size shall be equally divided.
Dimension

Specifications
| Spec. | Linear guide | Dimension of block | Dimension of rail | ||||||||||||
| H | W1 | K | W | L1 | Cw | L | M | T | T1 | B2 | L2 | H1 | B | H0 | |
| GGB16AA | 24 | 15.5 | 19.4 | 47 | 58.5 | 38 | 30 | M5 | 7 | 11 | 4.5 | 40.5 | 4.5 | 16 | 15 |
| GGB20AA GGB20AAL | 30 | 21.5 | 25.4 | 63 | 75.3 90 | 53 | 40 | M6 | 8 | 10 | 5 | 50.5 65.2 | 4.6 | 20 | 17.5 |
| GGB25AA GGB25AAL | 36 | 23.5 | 30.5 | 70 | 85 104.6 | 57 | 45 | M8 | 8 | 14 | 6.5 | 59 78.6 | 5.5 | 23 | 22 |
| GGB30AA GGB30AAL | 42 | 31 | 35 | 90 | 97 119 | 72 | 52 | M10 | 10 | 18 | 9 | 70.6 92 | 5.5 | 28 | 26 |
| GGB35AA GGB35AAL | 48 | 33 | 40 | 100 | 112.2 138.2 | 82 | 62 | M10 | 10 | 18 | 9 | 80.8 105.8 | 8 | 34 | 29 |
| GGB45IIAA GGB45IIAAL | 60 | 37.5 | 49 | 120 | 137 165 | 100 | 80 | M12 | 15 | 25 | 10 | 102.8 130 | 9 | 45 | 38 |
| GGB55AA GGB55AAL | 70 | 43.5 | 57 | 140 | 161 199 | 116 | 95 | M14 | 20 | 29 | 12 | 118 156 | 11 | 53 | 44 |
| GGB65AA GGB65AAL | 90 | 53.5 | 76 | 170 | 199 259 | 142 | 110 | M16 | 23 | 37 | 14 | 147 207 | 12 | 63 | 53 |
| GGB85AA GGB85AAL | 110 | 65 | 94 | 215 | 247 304 | 185 | 140 | M20 | 30 | 55 | 15 | 179 236 | 12 | 85 | 65 |
Contact Us
