Clear records
history record
PRODUCT
RELATED PRODUCT
YP Series CNC Rotary Table Advantages
Air disc brakes offer responsive operation and strong locking force.
High strength, high precision, and high efficiency. Optional YH hydraulic brakes are available.
Specialized double-lead worm gears offer low friction, high transmission efficiency, and high durability.
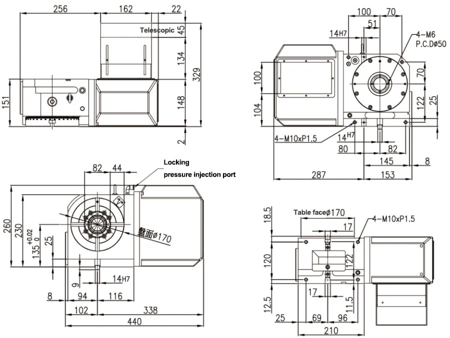
Product Dimensions

Product Parameter
| Item/ Model | Unit | YP-125 | YP-170 | YP-200 | |
| Use Way | - | Vertical & Horizontal | Vertical & Horizontal | Vertical & Horizontal | |
| Locking Method (Penumatic) | kg/cm² | 5~7 | 5~7 | 5~7 | |
| Locking Method (Hydraulic) | kg/cm² | - | 15 | 15 | |
| Table Diameter | mm | φ125 | φ170 | φ200 | |
| Inner Diameter of Mandrel Sleeve | mm | φ15H7 | φ40H7 | φ40H7 | |
| Diameter of Table Central Hole | mm | φ22H7 | φ50H7 | φ50H7 | |
| Center Height (Vertical) | mm | 110 | 135 | 160 | |
| Table T-slot Width | mm | 8H7 | 12H7 | 12H7 | |
| Guide Block Width | mm | 14h7 | 14h7 | 18h7 | |
| Servo Motor Model | FANUC | - | α2i/ß4i | α4i/ß8i | α4i/ß8i |
| MITSUBISHI | - | HG‐105 | HF‐104 | HF‐104 | |
| Maximum Speed | r.p.m | 44.4 | 33.3 | 33.3 | |
| Speed Reduction Ratio | - | 1/45 | 1/90 | 1/90 | |
| Minimum Setting Unit | deg | 0.001° | 0.001° | 0.001° | |
| Indexing Precision | sec | 45 | 20 | 20 | |
| Repeatability | sec | 4 | 4 | 4 | |
| Clamping Torque | N·m | 160 | 200 | 200 | |
| Turbine Allowable Torque | N·m | 82 | 170 | 260 | |
| Allowable Workpiece Load | Vertical | kg | 50 | 100 | 110 |
| Horizontal | kg | 100 | 200 | 240 | |
| With tailstock | kg | 100 | 200 | 240 | |
| Allowable Thrust Load (With Rotary Table Clamping) | F | N | 10000 | 14500 | 14500 |
| FXL | N·m | 115 | 200 | 200 | |
| FXL | N·m | 430 | 1020 | 1020 | |
| Allowable Inertia | J=W·D²/8 | kg·m² | 0.2 | 0.52 | 0.62 |
| Net Weight (Servo Motor Excluded) | kg | 32 | 42 | 50 | |
The CNC 4th axis rotary table is a high-precision accessory widely used on VMC machining centers. Designed as a rotary indexing table, it provides accurate indexing and can work in synchronization with the CNC system to perform complex surface machining and helical groove cutting. As a professional milling machine rotary table, it significantly enhances machining efficiency and positioning accuracy, making it ideal for molds, gears, and aerospace components.
When choosing a rotary table, many buyers are concerned about the 4th axis rotary table price. We offer cost-effective solutions that ensure high rigidity, precision, and long-term stability. Whether you need a rotary table for VMC machine or other CNC equipment, we can supply reliable products with fast delivery.
Contact Us
