Clear records
history record
PRODUCT
RELATED PRODUCT
PRODUCT ADVANTAGE
▶ 1.It adopts the attraction of the chuck electromagnet as the locking force and check the status of the door with the switch signal.
▶ 2.Suck board with position compensation function to ensure reliable locking.
▶ 3.plastic and metal holder are available.
▶ 4.Locking force is 600N.
MODEL NUMBER

RATINGS

TIMING CHART

OPERATION PATTERNS

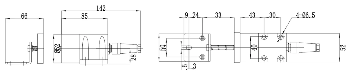
DIMENSION

FACTORY SHOW

Contact Us
