Clear records
history record
PRODUCT
RELATED PRODUCT
FEATURE
▶ 1. Taking SLT series servo turret as the platform, external power module is added to compose SLTA series axial power tooling servo, which has reasonably compact layout.
▶ 2. High- precision triple hirth coupling and hydraulic clamping devices for loosening and combining of power head are used to obtain high indexing accuracy and reliable clamping.
▶ 3. Separate spindle servo motor under simple control provides tool's driving force. Modular interface can adapt to a variety of the spindle motor, whose maximum power up to 11kw.
▶ 4. Each station can be assembled with a power tool, while only the work position provides the driving force. Tool block complies with international standards DIN69880 and DIN1809.
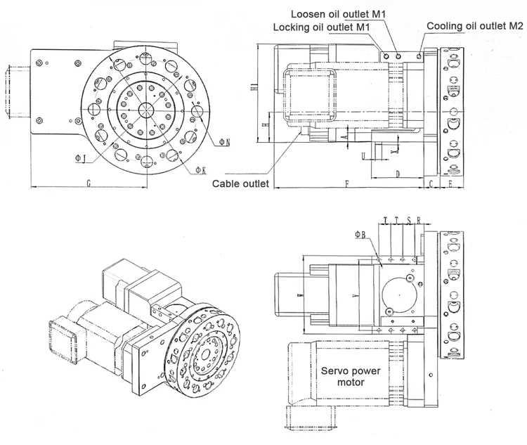
DIMENSIONS

PARAMETER
ITEM | UNIT | MODEL | |||
D63A | D80A | D100A | D125A | ||
Center height | mm | 63 | 80 | 100 | 125 |
Workstation | 12 | 12 | 12 | 12 | |
Power tool speed | rpm | 6000 | 5000 | 4000 | 3500 |
Time for ratation and clamping | sec. | 0.9 | 1.1 | 1.4 | 1.8 |
Time for ratation and clamping | sec. | 1.2 | 1.4 | 1.9 | 2.5 |
Clamping force | kg | 1700 | 2600 | 3500 | 5200 |
Hydraulic working pressure | MPa | 3.5±0.5 | |||
Flow rate | L/min | 18 | 20 | 25 | 30 |
Inertia of transportable masses | kg.m² | 0.5 | 1.5 | 4 | 7 |
Unbalance torque | N.m | 10 | 15 | 40 | 60 |
Indexing accuracy | ±4" | ||||
Accuracy of repeatability | ±1.6" | ||||
Toolholder size | mm | φ20 | φ30 | φ40 | φ50 |
Toolholder type | DIN69880 | ||||
Toolshank coupling | DIN1809; DIN5480 | ||||
Maximum power of motor | kw | 2.2 | 3.7 | 5.5 | 7.5 |
Motor(FANUC) | α1/10000i | α2/10000i | α3/10000i | α6/10000i | |
Motor and tool transmission ratio | 1:1 | 1:1 | 1:1 | 1:1 | |
Net weight (without motor) | kg | 95 | 135 | 195 | 350 |
Model | Dimension | ||||||||||
H | A | B | C | D | E | F | G | H1 | J | K | |
D63A | 63 | 20 | 8-φ11 | 41 | 135 | 49 | 380 | 223 | 225 | 240 | 300 |
D80A | 80 | 25 | 8-φ11 | 43 | 140 | 63 | 390 | 298 | 260 | 270 | 340 |
D100A | 100 | 30 | 8-φ13 | 53 | 170 | 70 | 400 | 313 | 300 | 340 | 410 |
D125A | 125 | 35 | 8-φ17 | 71 | 210 | 85 | 415 | 371 | 330 | 400 | 480 |
M1 | M2 | N | R | S | T | U | V | W | X | ||
D63A | PT1/4 | PT1/4 | 20 | 24 | 30 | 30 | 15 | 165 | 185 | 7.5 | |
D80A | PT1/4 | PT1/4 | 30 | 25 | 32 | 32 | 17 | 190 | 210 | 7.5 | |
D100A | PT3/8 | PT3/8 | 40 | 34 | 40 | 30 | 20 | 220 | 250 | 9 | |
D125A | PT3/8 | PT3/8 | 50 | 30 | 44 | 43 | 26 | 280 | 310 | 9 | |
PRODUCT SHOW

Contact Us
